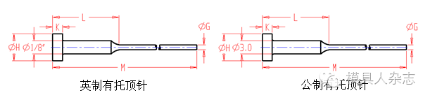
G | H | K | M(常用规格尺寸) | |
(3/640) | 1.19 mm | 1/40 | 1/80 | 40、60、80 |
1/160 | 1.59 mm | 40(101.6mm)、60(152.4mm)、
80(203.2mm)、100(254.0mm)、 120(304.8mm) |
||
5/640 | 1.98 mm | |||
3/320 | 2.38 mm | |||
(7/640) | 2.78 mm | |||
1/80 | 3.18 mm | |||
9/640 | 3.57 mm | |||
5/320 | 3.97 mm | 9/320 | 5/320 | |
(11/640) | 4.37 mm | 11/320 | 3/160 | |
3/160 | 4.76 mm | 3/80 | ||
(13/640) | 5.16 mm | |||
7/320 | 5.56 mm | 13/320 | ||
(15/640) | 5.95 mm | |||
1/40 | 6.35 mm | 7/160 | ||
5/160 | 7.94 mm | 1/20 | 1/40 | |
3/80 | 9.53 mm | 5/80 | ||
(7/160) | 11.11 mm | 11/160 | ||
1/20 | 12.70 mm | 3/40 | ||
(5/80) | 15.88 mm | 7/80 |
注:顶针直径尺寸G中,“*”号为优先选用,“( )”是不常用尺寸,其余为一般选用
尺寸。
G | H | K | M(常用规格尺寸) |
(1.0 mm) | 6 mm | 4 mm | 100 mm、150 mm、200 mm、
250 mm、300 mm |
1.5 mm | |||
*2.0 mm | |||
2.5 mm | |||
3.0 mm | |||
(3.5 mm) | 7 mm | ||
*4.0 mm | 8 mm | 5 mm | |
(4.5 mm) | |||
5.0 mm | 9 mm | ||
*6.0 mm | 10 mm | 6 mm | |
(7.0 mm) | |||
*8.0 mm | 13 mm | 8 mm | |
(9.0 mm) | 14 mm | ||
10.0 mm | 15 mm | ||
12.0 mm | 17 mm | ||
(14.0 mm) | 19 mm | ||
15.0 mm | 20 mm | ||
(16.0 mm) | 21 mm | ||
(20.0 mm) | 25 mm |
技术说明:
(1)顶针材料:JIS-SCM-415 (21),渗碳热处理;硬度:HRC 608628;
(2)尺寸公差:。
(3)顶针直径尺寸G中,“*”号为优先选用,“()”是不常用尺寸,其余为一般选用尺寸。
G | H | K | M/L(常用规格尺寸) | |
3/640 | 1.19 mm | 1/40
(6.35mm) |
1/80
(3.18mm) |
40/10、60/20、80/20或30、
100以上/30 |
1/160 | 1.59 mm | |||
5/640 | 1.98 mm | |||
3/320 | 2.38 mm | |||
7/640 | 2.78 mm |
G | H | K | M/L(常用规格尺寸) |
1.0 mm | 6.0 mm | 4.0 mm | 100mm/25mm、150mm/50mm、
200mm/50mm、250mm/75mm |
1.2 mm | |||
1.5 mm | |||
2.0 mm | |||
2.5 mm |
技术说明:
(1)顶针材料:JIS-SCM-415 (21); 硬度:HRC 608628;
(2)尺寸公差:
单位:mm
正身位 | 轴位 | 头部 | 全长(常用规格尺寸) | ||
t | w | d | H | D | L |
1.0 | 3.0 | 4.0 | 6.0 | 8.0 | 100、125、150 |
1.2 | |||||
1.0 | 4.0 | 5.0 | 9.0 | ||
1.2 | |||||
1.5 | |||||
1.2 | 5.0 | 6.0 | 10.0 | 100、125、150、175、200 | |
1.5 | |||||
1.8 | |||||
1.5 | 6.0 | 8.0 | 8.0 | 13.0 | |
1.8 | |||||
2.0 | |||||
1.5 | 8.0 | 10.0 | 15.0 | ||
1.8 | |||||
2.0 | |||||
1.5 | 10.0 | 12.0 | 17.0 | ||
1.8 | |||||
2.0 |
技术说明:
(1)顶针材料:JIS-SKD-61 合金工具钢;
(2)热处理:真空离子氮化;硬度:(内部)HRC 408628,(表皮)HRC 708628;
单位:mm
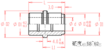
d1 | G | D | H | S = 35 mm | S = 70 mm |
L(规格尺寸) | L(规格尺寸) | ||||
2.0 | 4.0 | 8.0 | 6.0 | 100mm、125mm、
150mm、175mm、 200mm。 |
225mm、250mm、
275mm、300mm。 |
2.0 | 5.0 | 9.0 | |||
2.5 | |||||
2.5 | 6.0 | 10.0 | |||
3.0 | 5.0 | 9.0 | |||
3.0 | 6.0 | 10.0 | |||
3.0 | 7.0 | 11.0 | |||
3.5 | 6.0 | 10.0 | |||
3.5 | 7.0 | 11.0 | |||
4.0 | 6.0 | 10.0 | |||
4.0 | 7.0 | 11.0 | |||
4.0 | 8.0 | 13.0 | 8.0 | ||
5.0 | |||||
6.0 | 15.0 | ||||
8.0 | 10.0 | 17.0 | |||
6.0 | 15.0 | ||||
8.0 | 12.0 | 17.0 |
注:公制、英制司筒正位“d1”与司筒针相配合,可切短10.0mm。
d1 | G | D | H | S = 35 mm | S = 70 mm | ||
L(常用规格) | L(常用规格) | ||||||
5/640 | 1.98mm | 5/320 | 3.97mm | 5/160 | 3/160 | 40(101.6mm),
50(127.0mm), 60(152.4mm), 70(177.8mm), 80(203.2mm). |
|
5/640 | 3/160 | 4.76mm | 3/80 | 90(228.6mm),
100(254.0mm), 110(279.4mm), 120(304.8mm). |
|||
3/320 | 2.38mm | ||||||
7/640 | 2.78mm | ||||||
1/80 | 3.18mm | ||||||
5/640 | 1.98mm | 7/320 | 5.56mm | 13/320 | |||
3/320 | 2.38mm | ||||||
7/640 | 2.78mm | ||||||
1/80 | 3.18mm | ||||||
9/640 | 3.57mm | ||||||
5/640 | 1.98mm | 1/40 | 6.35mm | 7/160 | |||
3/320 | 2.38mm | ||||||
7/640 | 2.78mm | ||||||
1/80 | 3.18mm | ||||||
9/640 | 3.57mm | ||||||
5/320 | 3.97mm | ||||||
3/160 | 4.76mm | ||||||
3/320 | 2.38mm | 9/320 | 7.14mm | 1/40 | |||
1/80 | 3.18mm | ||||||
5/320 | 3.97mm | ||||||
3/160 | 4.76mm | ||||||
5/320 | 3.97mm | 5/160 | 7.94mm | 1/20 | |||
3/160 | 4.76mm | ||||||
7/320 | 5.56mm | ||||||
1/40 | 6.35mm | ||||||
5/320 | 3.97mm | 3/80 | 9.53mm | 5/80 | |||
3/160 | 4.76mm | ||||||
1/40 | 6.35mm | ||||||
5/160 | 7.94mm |
技术说明:
(1)司筒材料:JIS-SKD-61 合金工具钢;
(2)热处理:真空离子氮化;硬度:(内部)HRC 408628,(表皮)HRC 708628;
M d
(inch) |
Æ D
(mm) |
A
(mm) |
L(常用规格尺寸)
(inch) |
1/82 | 5.2 | 2.2 | 1/42、3/82、1/22、5/82、3/42、12、1-1/42、1-1/22 |
5/322 | 6.4 | 3.0 | 3/82、1/22、5/82、3/42、12、1-1/42、1-1/22 |
3/162 | 7.8 | 3.8 | 3/82、1/22、5/82、3/42、12、1-1/42、1-1/22、1-3/42、22、2-1/42、2-1/22 |
1/42 | 9.4 | 4.6 | 3/82、1/22、5/82、3/42、12、1-1/42、1-1/22、1-3/42、22、2-1/22、2-3/42、32、3-1/22、42 |
5/162 | 10.8 | 5.6 | 3/82、 1/22、 5/82、 3/42、 12、 1-1/42、1-1/22、 1-3/42、22、2-1/42、2-1/22、2-3/42、32、3-1/42、 3-1/22、42、4-/22、52 |
3/82 | 14.0 | 7.8 | 1/22、5/82、3/42、12、1-1/42、1-1/22、1-/42、22、 2-1/42、2-1/22、2-3/42、32、3-1/22、42、4-/22、52 |
1/22 | 19.0 | 9.4 | 3/42、 12、 1-1/42、 1-1/22、 1-3/42、 22、 2-1/42、 2-1/22、2-3/42、 32、 3-1/42、 3ù1/22、42、4-/22、52、5-1/22、62、6-/22、72、82、 |
5/82 | 22.0 | 12.6 | 12、 1-1/42、 1-1/22、 1-3/42、 22、 2-1/42、2-1/22、 2-/42、62、82 |
M d
(mm) |
Æ D
(mm) |
A
(mm) |
L(常用规格尺寸)
(mm) |
3 | 5.5 | 2.2 | 16 |
*4 | 7.0 | 3.0 | 20、30、40 |
5 | 8.5 | 3.8 | 20、25 |
*6 | 10.0 | 4.6 | 20、30、40、50 |
8 | 13.0 | 5.6 | 20、25、30、40、50 |
*10 | 16.0 | 7.8 | 20、25、30、40、50 |
*12 | 18.0 | 9.4 | 25、30、35、40、50、60 |
(14) | 21.0 | 12.6 | 25、30、40、50、60 |
注:上述列表中,“*”号为优先选用,“()”是不常用尺寸,其余为一般选用尺寸。
外六角螺钉(右图所示形式)在模具中较少使用,通常仅被当作垃圾钉使用,选 用类型及规格单一,一般选用下面两种规格:
M d(inch) | K(mm) | S(mm) | L(mm) |
M10 | 6.4 | 16 | 18 |
M12 | 7.5 | 18 | 18 |
内六角紧定螺钉(右图所示形式)在模具中通常用来紧固拉料杆、司筒针及镶针等,基本选用图示形式,且规格较少,一般选用下面规格:
M (inch) | 1/82 | 5/322 | 3/162 | 1/42 | 5/162 | 3/82 | 1/22 | 5/82 | |
L | 1/82 | · | |||||||
3/162 | · | · | · | ||||||
1/42 | · | · | · | · | |||||
5/162 | · | · | · | · | · | ||||
3/82 | · | · | · | · | · | · | |||
1/22 | · | · | · | · | · | · | · | ||
5/82 | · | · | · | · | · | · | |||
3/42 | · | · | · | · | · | · |
M (mm) | 3 | 4 | 5 | 6 | * 8 | * 10 | * 12 | 16 | |
L | 5 | · | · | · | |||||
6 | · | · | · | · | · | ||||
8 | · | · | · | · | · | ||||
10 | · | · | · | · | · | · | |||
12 | · | · | · | · | · | · | · | ||
15 | · | · | · | · | · | · | · | · | |
20 | · | · | · | · | · | · | · | · |
注:上述列表中,“*”号为优先选用,其余为一般选用尺寸。
Æd1 | 6 | 6.5 | 8 | 10 | 13 | 16 | |
L | 10 | · | · | · | |||
12 | · | · | · | ||||
16 | · | · | · | · | |||
20 | · | · | · | · | |||
25 | · | · | · | · | |||
30 | · | · | · | · | · | · | |
35 | · | · | · | · | · | · | |
40 | · | · | · | · | · | · | |
45 | · | · | · | · | · | · | |
50 | · | · | · | · | · | · | |
55 | · | · | · | · | · | ||
60 | · | · | · | · | |||
65 | · | · | · | · | |||
70 | · | · | · | · | |||
75 | · | · | · | · | |||
80 | · | · | · | · | |||
90 | · | · | · | ||||
100 | · | · | · | ||||
110 | · | · | |||||
120 | · | · | |||||
130 | · | · | |||||
140 | · | ||||||
150 | · | ||||||
160 | · | ||||||
M d | M5 | M5.5 | M6 | M8 | M10 | M12 | |
Æd2 | 10 | 10 | 13 | 16 | 18 | 24 | |
b | 8 | 8 | 10 | 12 | 16 | 18 | |
K | 5 | 5 | 6 | 8 | 10 | 12 |
Æd1 | 1/42 | 5/162 | 3/82 | 1/22 | 5/82 | |
L | 3/42 | · | · | · | · | |
12 | · | · | · | · | ||
1-1/42 | · | · | · | · | ||
1-1/22 | · | · | · | · | · | |
1-3/42 | · | · | · | · | · | |
22 | · | · | · | · | · | |
2-1/42 | · | · | · | · | ||
2-1/22 | · | · | · | · | ||
2-3/42 | · | · | ||||
32 | · | · | · | · | ||
3-1/42 | · | |||||
3-1/22 | · | · | · | |||
42 | · | · | · | |||
4-1/22 | · | |||||
52 | · | |||||
M d | ||||||
Æd2 | ||||||
b | ||||||
K |
注:部分参数因资料不全暂时空缺
单位:mm
代号 |
2025
2335 |
2525
2740 |
3030
3035 |
3535
3545 |
3550
4070 |
4545
5070 |
$
5070 |
&A | &130.0 | &130.0 | &130.0 | &130.0 | &130.0 | &140.0 | &140.0 |
B | 50.6 | 60.6 | 75.6 | 80.6 | 85.6 | 100.6 | 100.6 |
C | 30.0 | 40.0 | 55.0 | 60.0 | 65.0 | 80.0 | 80.0 |
D | 13.0 | 13.0 | 13.0 | 15.0 | 15.0 | 15.0 | 15.0 |
E | 7.0 | 7.0 | 7.0 | 8.5 | 8.5 | 10.0 | 10.0 |
&F | &10.4 | &10.4 | &10.4 | &12.0 | &12.0 | &15.0 | &15.0 |
&G | &6.8 | &6.8 | &6.8 | &8.5 | &8.5 | &10.0 | &10.0 |
H | 15.0 | 20.0 | 35.0 | 40.0 | 45.0 | 60.0 | 60.0 |
I | 40.0 | 45.0 | 60.0 | 65.0 | 70.0 | 85.0 | 85.0 |
J | 45.0 | 50.0 | 65.0 | 70.0 | 75.0 | 90.0 | 90.0 |
&K | &3.0 | &3.0 | &3.0 | &3.5 | &3.5 | &3.5 | &3.5 |
注:1) 唧咀材料:黄牌钢;表格中“规格”为模坯(宽、高)范围尺寸。
2) 模具面板有隔热板时,图中“*”号尺寸增加10mm。
&D | L | d | a8 | SR | T | H |
12.0mm | 80.0mm | 3.3mm | 48 | 20mm | 20mm | 35mm |
12.0mm | 100.0mm | 3.5mm | 38 | |||
16.0mm | 80.0mm | 3.3mm | 48 | |||
16.0mm | 100.0mm | 3.5mm | 38 |
附注:唧咀材料:S45C钢;SR位(球面)加硬热处理,硬度:HRC408~458。
附注:1) 常用定位圈尺寸如上图;定位圈材料:S45C钢。
2) 模具面板有隔热板时,“*”号尺寸增加10mm。
单位:mm
&D | &d | &D | &d |
13.0 | 2.5 | 16.0 | 3.5 |
*16.0 | 19.0 | ||
19.0 | 25.0 |
注:“*”号为常用胶圈。
A.类型1
导柱直径Æd | d1 | d1 | D | H | ||
尺寸 | 公差范围 | 尺寸 | 公差范围 | |||
10 | 10 | -0.013
-0.022 |
10 | +0.015
+0.006 |
13 | 5 |
12 | 12 | -0.015
-0.027 |
12 | +0.018
+0.007 |
17 | |
16 | 16 | 16 | 20 | 6 | ||
20 | 20 | -0.020
-0.033 |
20 | +0.021
+0.008 |
25 | |
25 | 25 | 25 | 30 | 8 | ||
30 | 30 | 30 | 35 | |||
35 | 35 | -0.025
-0.040 |
35 | +0.025
+0.009 |
40 | |
40 | 40 | 40 | 45 | 10 | ||
50 | 50 | 50 | 56 | 12 | ||
60 | 60 | -0.040
-0.055 |
60 | 66 | 15 | |
70 | 70 | 70 | 76 |
B.类型2 (水口边)
导柱直径Æd | d | d1 | D | H | M | l | ||
尺寸 | 公差范围 | 尺寸 | 公差范围 | |||||
12 | 12 | -0.016
-0.027 |
12 | +0.018
+0.007 |
17 | 6 | M6 | 12 |
16 | 16 | 16 | 20 | 8 | M10 | 20 | ||
20 | 20 | 20 | +0.021
+0.008 |
25 | 10 | M12 | 25 | |
25 | 25 | -0.020
-0.033 |
25 | 30 | 12 | M14 | 30 | |
30 | 30 | 30 | 35 | 14 | M16 | 35 | ||
35 | 35 | -0.025
-0.041 |
35 | +0.025
+0.009 |
40 | 16 | ||
40 | 40 | 40 | 45 | 18 |
模具人杂志微信(mujuren)整理编辑
导套直径Æd | d | d1 | D | H | ||
尺寸 | 公差范围 | 尺寸 | 公差范围 | |||
12 | 12 | +0.017
+0.006 |
18 | +0.018
+0.007 |
22 | 5 |
16 | 16 | 25 | +0.021
+0.008 |
30 | 6 | |
20 | 20 | +0.020
+0.007 |
30 | 35 | 8 | |
25 | 25 | 35 | +0.025
+0.009 |
40 | ||
30 | 30 | 42 | 47 | 10 | ||
35 | 35 | +0.025
+0.009 |
48 | 54 | ||
40 | 40 | 55 | +0.030
+0.011 |
61 | ||
50 | 50 | 70 | 76 | 12 | ||
60 | 60 | 80 | 86 | 15 | ||
70 | 70 | 90 | 96 | |||
80 | 80 | 100 | 106 |
导套直径Æd | d | d1 | M | |||
尺寸 | 公差范围 | 尺寸 | 公差范围 | L<20mm | L>21mm | |
10 | 10 | +0.009
0 |
14 | +0.018
+0.007 |
¾ | ¾ |
12 | 12 | +0.017
+0.006 |
18 | 4 | 4 | |
16 | 16 | 25 | +0.021
+0.008 |
6 | ||
20 | 20 | +0.020
+0.007 |
30 | |||
25 | 25 | 35 | +0.025
+0.009 |
¾ | 8 | |
30 | 30 | 42 | ||||
35 | 35 | +0.025
+0.009 |
48 | |||
40 | 40 | 55 | +0.030
+0.011 |
|||
50 | 50 | 70 | 10 | |||
60 | 60 | 80 | ||||
70 | 70 | 90 | ||||
80 | 80 | 100 |
在实际选用时,“L1”
以底顶针板厚度而定,“L”
以顶针板总厚度而定。
导套直径Æd | d | D | D1 | D2 | ||
尺寸 | 公差范围 | 尺寸 | 公差范围 | |||
10 | 10 | +0.014
+0.005 |
16 | -0.03
-0.05 |
16 | 20 |
12 | 12 | +0.017
+0.006 |
18 | 18 | 22 | |
16 | 16 | 25 | 25 | 30 | ||
20 | 20 | +0.020
+0.007 |
30 | 30 | 35 | |
25 | 25 | 35 | 35 | 40 | ||
30 | 30 | 40 | 40 | 45 | ||
40 | 40 | +0.025
+0.009 |
50 | 50 | 55 | |
50 | 50 | 60 | 60 | 66 |